Заслонка поворотная тип RSV083N-RED-KB

ЗАСЛОНКА ПОВОРОТНАЯ ТИП RSV083N RED-KB
ЗАСЛОНКА ПОВОРОТНАЯ ТИП RSV083N RED-KB Комплект концевых выключателей
Комплект концевых выключателей
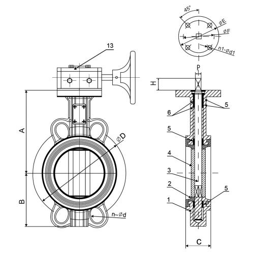
ЗАСЛОНКА ПОВОРОТНАЯ ТИП RSV083N RED-KB Чертеж DN 50 - 350
Чертеж DN 50 - 350
ЗАСЛОНКА ПОВОРОТНАЯ ТИП RSV083N RED-KB Чертеж DN 400 - 500
Чертеж DN 400 - 500
ЗАСЛОНКА ПОВОРОТНАЯ ТИП RSV083N RED-KB График температура-давление:
График температура-давление:
Характеристика:

Диаметр DN, мм

50 - 500

Давление PN, бар

16

Температура, °С

От -20 до +115

до +130 (кратковременно)

Среда

Горячая и холодная вода, этиленгликоль 40%, воздух без примесей масели другие нейтральные среды

Класс герметичности по ГОСТ 9544-2015

"А"

Тип присоединения

межфланцевый (ответные фланцы рекомендуем по ГОСТ 33259-2015 (ГОСТ 12820-80 / 12821-80 исп.1)

Возможностьуправления

ручная червячная передача (редуктор)-стандартная поставка

электропривод-под заказ в комплектации с затвором

пневмопривод-под заказ в комплектации с затвором

Особенности

концевые выключатели – стандартная поставка

Материалы:

Наименование

Материалы

DN 50-350

DN 400-500

1

Корпус

Высокопрочный чугун GGG40

2

Манжета

EPDM*

3

Шток

Нержавеющая сталь (AISI410)

-

4

Диск

Высокопрочный чугун GGG40 с эпоксидным покрытием

5

Подшипник(4 шт)

PTFE

-

6

Уплотнительное кольцо (2 шт)

NBR

-

7

Нижний вал

-

Нержавеющая сталь SS420

8

Верхний вал

-

Нержавеющая сталь SS420

9

Длинный подшипник (2шт)

-

PTFE

10

Короткий подшипник(2шт)

-

PTFE

11

Уплотнительное кольцо (2шт)

-

NBR

12

Стопорная прижимная пластина

Нержавеющая сталь SS304

13

Редуктор

Высокопрочный чугун GGG40/сталь45

*- конструкция заслонки позволяет заменить манжету (при необходимости)

Размеры:

DN

A

B

C

H

P(Ø)*

D

n-d

Е

F

n1-d1

шпонка n-b

ISO

фланец (ISO5211)

Масса

мм

мм

кг

50

132

73

43

25

9

125

4-18

65

50

4-8

-

F05

4.68

65

139

88

46

25

9

145

4-18

65

50

4-8

-

F05

5.14

80

154

95

46

25

9

160

4(8)-18

65

50

4-8

-

F05

5.71

100

168

108

52

28

11

180

4(8)-18

90

70

4-10

-

F07

7.05

125

183

128

56

28

14

210

4(8)-18

90

70

4-10

-

F07

953

150

197

143

56

28

14

240

8-18

90

70

4-10

-

F07

11.82

200

237

175

60

35

17

295

12-22

125

102

4-12

-

F10

18.9

250

268

208

68

45

22

355

12-26

125

102

4-12

-

F10

21.75

300

305

238

78

45

22

410

12-26

125

102

4-12

-

F10

29.2

350

336

265

78

45

22

470

16-26

125

102

4-12

-

F10

41.05

400

400

304

86

52

37,95

525

16-30

175

140

4-18

1-10

F14

72.8

450

411

337

105

52

42,86

585

20-30

175

140

4-18

1-12

F14

84

500

460

368

130

52

45,72

650

20-33

175

140

4-18

1-14

F14

108

** - для DN400 - 800

Гидравлическая характеристика:
Коэффициент расхода Kv, м3/ч в зависимости от угла поворота диска затвора.

DN, мм

Угол поворота диска затвора

10°

20°

30°

40°

50°

60°

70°

80°

90°

50

0,09

4

10

21

39

55

77

107

116

65

0,17

7

17

32

56

84

123

175

189

80

0,26

10

19

33

60

99

157

236

259

100

0,43

15

31

67

119

197

312

468

514

125

1

25

52

114

203

336

540

797

876

150

2

39

81

176

314

518

821

1231

1353

200

3

76

161

350

623

1030

1631

2446

2687

250

3

129

274

595

1060

1754

2776

4164

4576

300

4

201

424

919

1638

2710

4289

6487

7069

350

5

290

613

1327

2366

3914

6195

9292

10212

400

7

398

842

1825

3254

5383

8519

12779

14043

450

9

527

1116

2418

4308

7129

11284

16925

18599

500

12

678

1434

3109

5540

9167

14508

21762

23914

Похожее оборудование
ЗАСЛОНКА ПОВОРОТНАЯ СЕРИЯ 900
Описание Затвор поворотный дисковый
Диаметр 32 - 1600 мм
Давление 10; 16 бар
Температура -25 - 150°С

 

ЗАСЛОНКА ПОВОРОТНАЯ С ДВОЙНЫМ ЭКСЦЕНТРИСИТЕТОМ СЕРИЯ 2Е-5
Описание Затвор поворотный дисковый с двойным эксцентриситетом
Диаметр 50 - 600 мм
Давление 25; 40; 50 бар
Температура -100 - 500°С

 

ЗАТВОР ДИСКОВЫЙ ТИП 497 (МАНЖЕТА - EPDM)
Описание Затвор поворотный дисковый
Диаметр 32 - 600 мм
Давление 10; 16 бар
Температура -10 - 110°С
ЗАСЛОНКА ПОВОРОТНАЯ ТИП RSV081N RED
Описание Заслонка поворотная дисковая межфланцевая (диск - чугун с эпоксидным покрытием)
Диаметр 25 - 300 мм
Давление 16 бар
Температура от -20°С до +115°С (до +130°С кратковременно)
ЗАСЛОНКА ПОВОРОТНАЯ ТИП RSV083N RED
Описание Заслонка поворотная дисковая межфланцевая c редуктором (диск - чугун с эпоксидным покрытием)
Диаметр 40 - 800 мм
Давление 16 бар
Температура от -20°С до +115°С (до +130°С кратковременно)
ЗАСЛОНКА ПОВОРОТНАЯ С ТРОЙНЫМ ЭКСЦЕНТРИСИТЕТОМ СЕРИЯ 3Е
Описание Затвор поворотный дисковый с тройным эксцентриситетом
Диаметр 150 - 400 мм
Давление 25 - 40 бар
Температура -55 - 500°С

 

ЗАСЛОНКА ПОВОРОТНАЯ ТИП RSV084N (диск - нержавеюшая сталь)
Описание Заслонка поворотная дисковая межфланцевая (диск - нержавеющая сталь)
Диаметр 40 - 200 мм
Давление 16 бар
Температура от -20°С до +115°С (до +130°С кратковременно)