Заслонка поворотная тип RSV083N-RED

ЗАСЛОНКА ПОВОРОТНАЯ ТИП RSV083N RED
ЗАСЛОНКА ПОВОРОТНАЯ ТИП RSV083N RED
ЗАСЛОНКА ПОВОРОТНАЯ ТИП RSV083N RED
ЗАСЛОНКА ПОВОРОТНАЯ ТИП RSV083N RED
ЗАСЛОНКА ПОВОРОТНАЯ ТИП RSV083N RED
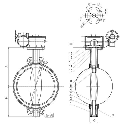
ЗАСЛОНКА ПОВОРОТНАЯ ТИП RSV083N RED Чертеж DN 40 - 350
Чертеж DN 40 - 350
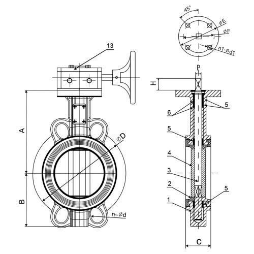
ЗАСЛОНКА ПОВОРОТНАЯ ТИП RSV083N RED Чертеж DN 400 - 800
Чертеж DN 400 - 800
ЗАСЛОНКА ПОВОРОТНАЯ ТИП RSV083N RED График температура-давление:
График температура-давление:
Характеристика:

Диаметр DN, мм

40 - 800

Давление PN, бар

16

Температура, °С

От -20 до +115

до +130 (кратковременно)

Среда

Горячая и холодная вода, этиленгликоль 40%, воздух без примесей масели другие нейтральные среды

Класс герметичности по ГОСТ 9544-2015

"А"

Тип присоединения

межфланцевый (ответные фланцы рекомендуем по ГОСТ 33259-2015 (ГОСТ 12820-80 / 12821-80 исп.1)

Возможность управления

ручная червячная передача (редуктор)-стандартная поставка

электропривод-под заказ в комплектации с затвором

пневмопривод-под заказ в комплектации с затвором

Материалы:

Наименование

Материалы

DN 40-350

DN 400-800

1

Корпус

Высокопрочный чугун GGG40

2

Манжета

EPDM*

3

Шток

Нержавеющая сталь (AISI410)

-

4

Диск

Высокопрочный чугун GGG40 с эпоксидным покрытием

5

Подшипник(4 шт)

PTFE

-

6

Уплотнительное кольцо (2 шт)

NBR

-

7

Нижний вал

-

Нержавеющая сталь SS420

8

Верхний вал

-

Нержавеющая сталь SS420

9

Длинный подшипник (2шт)

-

PTFE

10

Короткий подшипник(2шт)

-

PTFE

11

Уплотнительное кольцо (2шт)

-

NBR

12

Стопорная прижимная пластина

Нержавеющая сталь SS304

13

Редуктор

Высокопрочный чугун GGG40/сталь45

*- конструкция заслонки позволяет заменить манжету (при необходимости)

Размеры:

DN

A

B

C

H

P(Ø)*

D

n-d

Е

F

n1-d1

шпонка n-b

ISO

фланец (ISO5211)

Масса

мм

мм

кг

40

103

57

33

15

9

110

4-18

65

50

4-8

-

F05

4.5

50

132

73

43

25

9

125

4-18

65

50

4-8

-

F05

4.68

65

139

88

46

25

9

145

4-18

65

50

4-8

-

F05

5.14

80

154

95

46

25

9

160

4(8)-18

65

50

4-8

-

F05

5.71

100

168

108

52

28

11

180

4(8)-18

90

70

4-10

-

F07

7.05

125

183

128

56

28

14

210

4(8)-18

90

70

4-10

-

F07

953

150

197

143

56

28

14

240

8-18

90

70

4-10

-

F07

11.82

200

237

175

60

35

17

295

12-22

125

102

4-12

-

F10

18.9

250

268

208

68

45

22

355

12-26

125

102

4-12

-

F10

21.75

300

305

238

78

45

22

410

12-26

125

102

4-12

-

F10

29.2

350

336

265

78

45

22

470

16-26

125

102

4-12

-

F10

41.05

400

400

304

86

52

37,95

525

16-30

175

140

4-18

1-10

F14

72.8

450

411

337

105

52

42,86

585

20-30

175

140

4-18

1-12

F14

84

500

460

368

130

52

45,72

650

20-33

175

140

4-18

1-14

F14

108

600

523

428

151

64

63,98

770

20-36

210

165

4-22

1-16

F16

167

700

560

510

163

64

63,35

840

24-36

300

254

8-18

2-18

F25

263

800

635

585

188

70

63,35

950

24-39

300

254

8-18

2-18

F25

330

** - для DN400 - 800

Гидравлическая характеристика:
Коэффициент расхода Kv, м3/ч в зависимости от угла поворота диска затвора.

DN, мм

Угол поворота диска затвора

10°

20°

30°

40°

50°

60°

70°

80°

90°

40

0,05

3

6

12

21

31

44

60

65

50

0,09

4

10

21

39

55

77

107

116

65

0,17

7

17

32

56

84

123

175

189

80

0,26

10

19

33

60

99

157

236

259

100

0,43

15

31

67

119

197

312

468

514

125

1

25

52

114

203

336

540

797

876

150

2

39

81

176

314

518

821

1231

1353

200

3

76

161

350

623

1030

1631

2446

2687

250

3

129

274

595

1060

1754

2776

4164

4576

300

4

201

424

919

1638

2710

4289

6487

7069

350

5

290

613

1327

2366

3914

6195

9292

10212

400

7

398

842

1825

3254

5383

8519

12779

14043

450

9

527

1116

2418

4308

7129

11284

16925

18599

500

12

678

1434

3109

5540

9167

14508

21762

23914

600

19

1047

2217

4803

8560

14163

22414

33621

36946

700

26

1425

3018

6538

10796

17169

26120

40188

50296

800

39

2045

4105

7486

11815

17663

26902

41231

58483

Похожее оборудование
ЗАСЛОНКА ПОВОРОТНАЯ ДЛЯ АГРЕССИВНЫХ СРЕД СЕРИЯ 500
Описание Затвор поворотный дисковый для агрессивных сред
Диаметр 50 - 200 мм
Давление 10, 16 бар
Температура -40 - 200°С

 

ЗАСЛОНКА ПОВОРОТНАЯ С РЕДУКТОРОМ ТИП RSV082N
Описание Заслонка поворотная дисковая межфланцевая с редуктором
Диаметр 40 - 800 мм
Давление 16 бар
Температура от -10°С до +95°С (от -15°С до +120°С кратковременно)
ЗАСЛОНКА ПОВОРОТНАЯ ТИП RSV081N RED
Описание Заслонка поворотная дисковая межфланцевая (диск - чугун с эпоксидным покрытием)
Диаметр 25 - 300 мм
Давление 16 бар
Температура от -20°С до +115°С (до +130°С кратковременно)
ЗАСЛОНКА ПОВОРОТНАЯ СЕРИЯ 600 ДЛЯ ГАЗА тип 610B-G тип 613B-G
Описание Затвор поворотный дисковый для газа
Диаметр 32 - 200 мм
Давление 6 бар
Температура 0 - 60°С

 

ЗАТВОР ДИСКОВЫЙ ТИП 497 (МАНЖЕТА - EPDM)
Описание Затвор поворотный дисковый
Диаметр 32 - 600 мм
Давление 10; 16 бар
Температура -10 - 110°С
ЗАСЛОНКА ПОВОРОТНАЯ С ДВОЙНЫМ ЭКСЦЕНТРИСИТЕТОМ СЕРИЯ 2Е-5
Описание Затвор поворотный дисковый с двойным эксцентриситетом
Диаметр 50 - 600 мм
Давление 25; 40; 50 бар
Температура -100 - 500°С

 

ЗАСЛОНКА ПОВОРОТНАЯ ТИП RSV083N RED-KB
Описание Заслонка поворотная дисковая межфланцевая c редуктором и концевыми выключателями (диск - чугун с эпоксидным покрытием)
Диаметр 50 - 500 мм
Давление 16 бар
Температура от -20°С до +115°С (до +130°С кратковременно)