Заслонка поворотная тип RSV081N-RED

ЗАСЛОНКА ПОВОРОТНАЯ ТИП RSV081N RED
ЗАСЛОНКА ПОВОРОТНАЯ ТИП RSV081N RED
ЗАСЛОНКА ПОВОРОТНАЯ ТИП RSV081N RED
ЗАСЛОНКА ПОВОРОТНАЯ ТИП RSV081N RED График температура-давление
График температура-давление
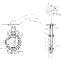
ЗАСЛОНКА ПОВОРОТНАЯ ТИП RSV081N RED Чертеж DN 25 - 32
Чертеж DN 25 - 32
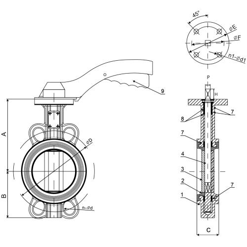
ЗАСЛОНКА ПОВОРОТНАЯ ТИП RSV081N RED Чертеж DN 40 - 300
Чертеж DN 40 - 300
Характеристика:

Диаметр DN ,мм

25-300

Давление PN, бар

16

Температура, °С

От -20 до +115

до +130 (кратковременно)

Среда

Горячая и холодная вода, этиленгликоль 40%, воздух без примесей масел и другие нейтральные среды

Класс герметичности по ГОСТ 9544-2015

"А"

Тип присоединения

межфланцевый (ответные фланцы рекомендуем по ГОСТ 33259-2015 (ГОСТ 12820-80 / 12821-80 исп.1)

Возможность управления

ручная червячная передача (редуктор) - стандартная поставка

электропривод - под заказ в комплектации с затвором

пневмопривод - под заказ в комплектации с затвором

Рекомендуем использовать редуктор для заслонок DN 150 и более в связи с большим усилием на рукоятке.

Материалы:

Наименование

Материалы

1

Корпус

Высокопрочный чугун GGG40

2

Манжета

EPDM*

3

Шток

Нержавеющая сталь (AISI410)

4

Диск

Высокопрочный чугун GGG40 с эпоксидным покрытием, толщиной не менее 400 мкм

5

Уплотнение сальника

EPDM

6

Прижимнаяпластина

Сталь 45

7

Подшипник(4шт)**

PTFE

8

Уплотнительное кольцо(2шт)**

EPDM

9

Рукоятка

Алюминий / Сталь***

*- конструкция заслонки позволяет заменить манжету (при необходимости)

** - для DN40 - 300

*** - для DN250, DN300

Размеры:

DN

Размеры

ISO

фланец (ISO5211)

Масса

A

B

C

H

P

D

n-d

Е

F

n1-d1

мм

мм

кг

25/32

93

44,5

33

15

9

100

2-18

65

50

4-8

F05

1,2

40

103

57

33

15

9

110

4-18

65

50

4-8

F05

1,65

50

132

73

43

25

9

125

4-18

65

50

4-8

F05

2,6

65

139

88

46

25

9

145

4-18

65

50

4-8

F05

3,1

80

154

95

46

25

9

160

4(8)-18

65

50

4-8

F05

3,65

100

168

108

52

28

11

180

4(8)-18

90

70

4-10

F07

5,25

125

183

128

56

28

14

210

4(8)-18

90

70

4-10

F07

7,7

150

197

143

56

28

14

240

4(8)-23

90

70

4-10

F07

9,05

200

237

175

60

35

17

295

4(8)-23

125

102

4-12

F10

14,8

250

268

208

68

45

22

355

12-26

125

102

4-12

F10

19,0

300

305

238

78

45

22

410

12-26

125

102

4-12

F10

32,1

Гидравлическая характеристика:
Коэффициент расхода Kv, м3/ч в зависимости от угла поворота диска затвора.

DN, мм

Угол поворота дииска затвора

10°

20°

30°

40°

50°

60°

70°

80°

90°

25/32

0,04

2

4

8

18

26

31

52

54

40

0,05

3

6

12

21

31

44

60

65

50

0,09

4

10

21

39

55

77

107

116

65

0,17

7

17

32

56

84

123

175

189

80

0,26

10

19

33

60

99

157

236

259

100

0,43

15

31

67

119

197

312

468

514

125

1

25

52

114

203

336

540

797

876

150

2

39

81

176

314

518

821

1231

1353

200

3

76

161

350

623

1030

1631

2446

2687

250

3

129

274

595

1060

1754

2776

4164

4576

300

4

201

424

919

1638

2710

4289

6487

7069

Похожее оборудование
ЗАСЛОНКА ПОВОРОТНАЯ С ТРОЙНЫМ ЭКСЦЕНТРИСИТЕТОМ СЕРИЯ 3Е
Описание Затвор поворотный дисковый с тройным эксцентриситетом
Диаметр 150 - 400 мм
Давление 25 - 40 бар
Температура -55 - 500°С

 

ЗАСЛОНКА ПОВОРОТНАЯ ТИП RSV084N (диск - нержавеюшая сталь)
Описание Заслонка поворотная дисковая межфланцевая (диск - нержавеющая сталь)
Диаметр 40 - 200 мм
Давление 16 бар
Температура от -20°С до +115°С (до +130°С кратковременно)
ЗАСЛОНКА ПОВОРОТНАЯ СЕРИЯ 900
Описание Затвор поворотный дисковый
Диаметр 32 - 1600 мм
Давление 10; 16 бар
Температура -25 - 150°С

 

ЗАСЛОНКА ПОВОРОТНАЯ СЕРИЯ 600 ДЛЯ ГАЗА тип 610B-G тип 613B-G
Описание Затвор поворотный дисковый для газа
Диаметр 32 - 200 мм
Давление 6 бар
Температура 0 - 60°С

 

ЗАСЛОНКА ПОВОРОТНАЯ ТИП RSV083N RED-KB
Описание Заслонка поворотная дисковая межфланцевая c редуктором и концевыми выключателями (диск - чугун с эпоксидным покрытием)
Диаметр 50 - 500 мм
Давление 16 бар
Температура от -20°С до +115°С (до +130°С кратковременно)
ЗАСЛОНКА ПОВОРОТНАЯ С ДВОЙНЫМ ЭКСЦЕНТРИСИТЕТОМ СЕРИЯ 2Е-5
Описание Затвор поворотный дисковый с двойным эксцентриситетом
Диаметр 50 - 600 мм
Давление 25; 40; 50 бар
Температура -100 - 500°С

 

ЗАСЛОНКА ПОВОРОТНАЯ ТИП RSV083N RED
Описание Заслонка поворотная дисковая межфланцевая c редуктором (диск - чугун с эпоксидным покрытием)
Диаметр 40 - 800 мм
Давление 16 бар
Температура от -20°С до +115°С (до +130°С кратковременно)