Клапан балансировочный тип RSV051N

КЛАПАН БАЛАНСИРОВОЧНЫЙ РЕГУЛИРУЮШИЙ ФЛАНЦЕВЫЙ С НЕВЫДВИЖНЫМ ШТОКОМ ТИП RSV051N
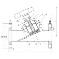
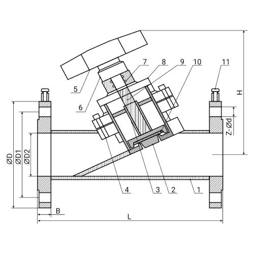
КЛАПАН БАЛАНСИРОВОЧНЫЙ РЕГУЛИРУЮШИЙ ФЛАНЦЕВЫЙ С НЕВЫДВИЖНЫМ ШТОКОМ ТИП RSV051N Чертеж
Чертеж
Характеристика:

Диаметр DN, мм

50 – 300

Давление PN, бар

16

Температура, °С

до120

Среда

Вода, этиленгликоль, водяной пар, воздух и другие инертные среды.

Класс герметичности по ГОСТ 9544-2015

"А"

Типу правления

Маховик – стандартная поставка

Тип присоединения

фланцевый (ответные фланцы рекомендуем по ГОСТ33259-2015 (ГОСТ12820-80/12821-80 исп.1)

Материалы:

Наименование

Материалы

1

Корпус

Высокопрочный чугун QT450

2

Золотник клапана

Высокопрочный чугун QT450

3

Направляющая штока

Высокопрочный чугун QT450

4

Винт

Нержавеющая сталь

5

Маховик

Пластик ABS

6

Стопорный винт

Нержавеющая сталь AISI304

7

Уплотнение

EPDM

8

Крышка

Высокопрочный чугун QT450

9

Шток

Нержавеющая сталь AISI420

10

Уплотнение крышки

EPDM

11

Измерительный ниппель

Латунь

Размеры:

DN

L

ØD

ØD1

ØD2

B

Z-Ød

H

Kvs

Масса

мм

мм

м³/ч

кг

50

215

165

125

55

17

4-18

195

50,5

8,7

65

240

185

145

65

18

4-18

200

84,9

10

80

280

200

160

80

20

8-18

220

118,0

12,5

100

310

220

180

100

21

8-18

240

187,4

15

125

320

250

210

125

21

8-18

300

263,9

19

150

385

285

240

150

23

8-22

380

400,8

34

200

460

340

295

200

22

12-23

420

726,9

56

250

545

405

355

250

24

12-26

500

1087,8

70

300

595

460

410

300

25

12-26

550

1276,2

90

Зависимость коэффициента Kvs (м3/ч) от числа оборотов открытия:

Настройка

DN50

DN65

DN80

DN100

DN125

DN150

DN200

DN250

DN300

1

4,7

7,3

7,2

11,2

11,1

17,6

47,7

70,4

60,3

2

9,1

11,7

13,1

23,4

27,5

45,3

103,4

156,3

159,6

3

16,8

19,0

20,1

41,3

54,5

92,0

164,9

241,9

249,5

4

22,0

34,0

37,4

59,4

85,6

134,0

253,8

311,3

305,4

5

30,4

47,0

61,4

90,0

125,5

183,9

385,9

409,0

377,5

6

38,0

55,8

81,4

116,3

158,1

221,4

474,0

554,2

555,9

7

46,2

67,2

100,6

142,5

194,1

298,5

558,0

683,1

691,2

8

50,5

76,8

110,1

164,0

230,7

359,5

637,1

758,0

790,4

9

-

84,9

118,0

187,4

263,9

400,8

699,2

826,0

933,3

10

-

-

-

-

-

-

726,9

920,0

1036,6

11

-

-

-

-

-

-

-

1010,9

1168,7

12

-

-

-

-

-

-

-

1087,8

1232,2

13

-

-

-

-

-

-

-

-

1276,2

Похожее оборудование
КЛАПАН БАЛАНСИРОВОЧНЫЙ РЕГУЛИРУЮШИЙ ФЛАНЦЕВЫЙ С НЕВЫДВИЖНЫМ ШТОКОМ ТИП RSV055N
Описание Клапан балансировочный регулирующий фланцевый с невыдвижным штоком
Диаметр 40 - 500 мм
Давление 16 бар
Температура до +120°С
КЛАПАН БАЛАНСИРОВОЧНЫЙ РЕГУЛИРУЮШИЙ ФЛАНЦЕВЫЙ С НЕВЫДВИЖНЫМ ШТОКОМ ТИП RSV055N
Описание Клапан балансировочный регулирующий фланцевый с невыдвижным штоком
Диаметр 15 - 32 мм
Давление 16 бар
Температура до +120°С
КЛАПАН БАЛАНСИРОВОЧНЫЙ РЕЗЬБОВОЙ ТИП RSV054N
Описание Клапан балансировочный резьбовой
Диаметр 1/2” - 2” (25 - 50 мм)
Давление 16 бар
Температура от -10°С до +110°С
КЛАПАН БАЛАНСИРОВОЧНЫЙ РЕГУЛИРУЮЩИЙ ФЛАНЦЕВЫЙ С НЕВЫДВИЖНЫМ ШТОКОМ ТИП 447
Описание Клапан балансировочный регулирующий фланцевый с невыдвижным штоком
Диаметр 40 - 300мм
Давление 16 бар
Температура 120°С