Клапан обратный тип RSV034N-T

КЛАПАН ОБРАТНЫЙ ПОДЪЕМНЫЙ С ШАРОМ ФЛАНЦЕВЫЙ ТИП RSV034N-T
КЛАПАН ОБРАТНЫЙ ПОДЪЕМНЫЙ С ШАРОМ ФЛАНЦЕВЫЙ ТИП RSV034N-T
КЛАПАН ОБРАТНЫЙ ПОДЪЕМНЫЙ С ШАРОМ ФЛАНЦЕВЫЙ ТИП RSV034N-T
КЛАПАН ОБРАТНЫЙ ПОДЪЕМНЫЙ С ШАРОМ ФЛАНЦЕВЫЙ ТИП RSV034N-T График температура - давление
График температура - давление
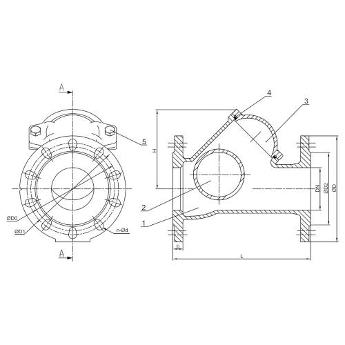
КЛАПАН ОБРАТНЫЙ ПОДЪЕМНЫЙ С ШАРОМ ФЛАНЦЕВЫЙ ТИП RSV034N-T Чертеж
Чертеж
Характеристика:

Диаметр DN, мм

40-400

Давление PN, бар

10 / 16

Температура, °С

От -10 до +70 (до +80 кратковременно)

Среда

Холодная и горячая вода, этиленгликоль, сточные воды, канализация

Класс герметичности по ГОСТ 9544-2015

"АА"

Тип присоединения

фланцевый (ответные фланцы рекомендуем по ГОСТ 33259-2015 (ГОСТ 12820-80 / 12821-80 исп.1)

Материалы:

Наименование

Материалы

1

Корпус

Высокопрочный чугун GGG50

2

Шар

Сталь, покрытая NBR

3

Крышка

Высокопрочный чугун GGG50

4

Прокладка крышки

NBR

5

Болт

Нержавеющая сталь AISI304

Размеры:

DN

Размеры

Масса

L

ØD

ØD0 /ØD1

ØD2

n-Ød

b

H

мм

мм

кг

PN10/16

40

180

150

110

84

4-19

19

115

6,8

50

200

165

125

99

4-19

19

120

7,3

65

240

185

145

118

4-19

19

140

10,4

80

260

200

160

132

8-19

19

150

12,9

100

300

220

180

156

8-19

19

185

16,6

125

350

250

210

184

8-19

19

210

32,0

150

400

285

240

211

8-23

19

260

41,5

200

500

340

295

266

8-23/12-23

20

350

70,8

250

600

405

350/355

319

12-23/12-28

22

430

117,4

300

700

460

400/410

370

12-23/12-28

24

500

168,8

350

800

520

460/470

429

16-23/16-28

26

650

213,0

400

900

580

515/525

480

16-28/16-31

28

730

320,0

Гидравлические характеристики, Kv (м3/ч):

DN

40

50

65

80

100

125

150

200

250

300

350

400

Kv, м3/час

80

120

210

310

505

805

1090

2050

2310

4620

6290

8250

Похожее оборудование
КЛАПАН ОБРАТНЫЙ ПРУЖИННЫЙ МЕЖФЛАНЦЕВЫЙ ТИП КН 230
Описание Клапан обратный пружинный межфланцевый
Диаметр 125 - 200 мм
Давление 16 бар
Температура до 300°С
КЛАПАН ОБРАТНЫЙ МЕЖФЛАНЦЕВЫЙ ТИП 2415
Описание Клапан обратный межфланцевый
Диаметр 15 - 200 мм
Давление 25; 40 бар
Температура до 300°С
КЛАПАН ОБРАТНЫЙ ПОДЪЕМНЫЙ ФЛАНЦЕВЫЙ ТИП 287/288
Описание Клапан обратный подъемный фланцевый тип 287 (прямой) и тип 288 (угловой)
Диаметр 15–300 мм
Давление 16; 25; или 40 бар
Температура 225, 300, 350 или 400 °С
КЛАПАН ОБРАТНЫЙ ПРУЖИННЫЙ МЕЖФЛАНЦЕВЫЙ ТИП КН 220
Описание Клапан обратный пружинный межфланцевый
Диаметр 15 - 100 мм
Давление 16 бар
Температура до 200°С
КЛАПАН ОБРАТНЫЙ ПОДЪЕМНЫЙ С ШАРОМ ДЛЯ ЗАГРЯЗНЕННЫХ ЖИДКОСТЕЙ ТИП 6516/6616, ТИП 6526/6626
Описание Клапан обратный подъемный с шаром для загрязненных жидкостей
Диаметр 40 - 600 мм / 1” - 2” (25 - 50 мм)
Давление 10; 16 бар
Температура от -20 до 120°С
КЛАПАН ОБРАТНЫЙ ПОДЪЕМНЫЙ С ШАРОМ РЕЗЬБОВОЙ ТИП RSV036N
Описание Клапан обратный подъемный с шаром с внутренней резьбой
Диаметр 1” - 3” (25 - 80 мм)
Давление 16 бар
Температура -10 - 70°С (до +80°С кратковременно)
КЛАПАН ОБРАТНЫЙ ПРУЖИННЫЙ GENEBRE С ВНУТРЕННЕЙ РЕЗЬБОЙ ТИП 3121
Описание Клапан обратный пружинный с внутренней резьбой
Диаметр 1/2” - 4” (15 - 100 мм)
Давление 25/12 бар
Температура -20 - 90°С