Задвижка клиновая тип RSV004N-T

ЗАДВИЖКА С ОБРЕЗИНЕНЫМ КЛИНОМ И НЕВЫДВИЖНЫМ ШТОКОМ ФЛАНЦЕВАЯ ТИП RSV004N-T
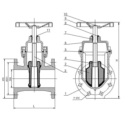
ЗАДВИЖКА С ОБРЕЗИНЕНЫМ КЛИНОМ И НЕВЫДВИЖНЫМ ШТОКОМ ФЛАНЦЕВАЯ ТИП RSV004N-T Чертеж DN 40 - 300
Чертеж DN 40 - 300
ЗАДВИЖКА С ОБРЕЗИНЕНЫМ КЛИНОМ И НЕВЫДВИЖНЫМ ШТОКОМ ФЛАНЦЕВАЯ ТИП RSV004N-T Чертеж DN 350 - 600
Чертеж DN 350 - 600
ЗАДВИЖКА С ОБРЕЗИНЕНЫМ КЛИНОМ И НЕВЫДВИЖНЫМ ШТОКОМ ФЛАНЦЕВАЯ ТИП RSV004N-T График температура - давление:
График температура - давление:
Характеристика:

Диаметр DN,мм

40-600

Давление PN, бар

10/16

Температура, °С

от -10°С до +95 (до +120 кратковременно)

Среда

Чистые, загрязненные жидкости (техническая,пластовая, сточная вода) и др. инертные среды

Класс герметичности по ГОСТ 9544-2015

«А»

Тип управления

штурвал–стандартная поставка

Тип присоединения

фланцевый (ответные фланцы рекомендуем по ГОСТ33259-2015 (ГОСТ 12820-80 / 12821-80 исп.1)

Материалы:

Наименование

Материалы

1

Корпус

Высокопрочный чугун GGG50

2

Клин

Высокопрочный чугун GGG50,покрытый EPDM

3

Шток

Нержавеющая сталь AISI420

4

Гайка клина

Латунь

5

Уплотнение крышки

EPDM

6

Крышка

Высокопрочный чугун GGG50

7

Уплотнительное кольцо

EPDM

8

Уплотнительное кольцо

EPDM

9

Штурвал

Чугун

10

Гайка штока

Нержавеющая сталь

11

Прижимная гайка сальника

Латунь

Размеры:

DN

Габаритные размеры

Присоединительные фланцы

Масса

L

H

ØD

ØD1

n-Ød

b

f

мм

мм

кг

PN10/16

40

140

290

150

110

4-Ø18

19

3

9,1

50

150

300

165

125

4-Ø18

19

3

9,4

65

170

340

185

145

4-Ø18

19

3

12,2

80

180

380

200

160

8-Ø18

20

3

15,0

100

190

430

220

180

8-Ø18

21

3

18,4

125

200

510

250

210

8-Ø18

22

3

27,0

150

210

580

285

240

8-Ø23

22

3

32,6

200

230

680

340

295

8-Ø23/12-Ø23

23

3

50,0

250

250

820

405

350/355

12-Ø23/12-Ø27

26

3

77,0

300

270

930

460

400/410

12-Ø23/12-Ø27

26

3

111,0

350

290

1100

505/520

460/470

16-Ø23/16-Ø28

24,5/26,5

4

145,0

400

310

1160

565/580

515/525

16-Ø28/16-Ø31

24,5/28

4

203,0

450

330

1300

615/640

565/585

20-Ø28/20-Ø31

25,5/30

4

295,0

500

350

1420

670/715

620/650

20-Ø28/20-Ø34

26,5/31,5

4

345,0

600

390

1650

780/840

725/770

20-Ø31/20-Ø37

30/36

5

475,0

Гидравлическая характеристика Kv, м3/ч:

DN, мм

40

50

65

80

100

125

150

200

250

300

350

400

500

600

Kv, м3

118

229

360

537

933

1598

2685

5004

8393

12072

16348

21528

37117

52626

Похожее оборудование
ЗАДВИЖКА ШИБЕРНАЯ ТИП 170, 172, 176
Описание Задвижка шиберная
Диаметр 50 - 800 мм
Давление 2 - 10 бар
Температура -15 - 110°С
ЗАДВИЖКА ШИБЕРНАЯ ТИП RSV008N, ТИП RSV009N
Описание Задвижка шиберная
Диаметр 50 - 800 мм
Давление 3 - 16 бар
Температура -10 - 70°С / -10 - 95°С
ЗАДВИЖКА ШИБЕРНАЯ ТИП 200
Описание Задвижка шиберная
Диаметр 50 - 1200 мм
Давление 4; 6; 10 бар
Температура -50 - 200°С
ЗАДВИЖКА С ОБРЕЗИНЕНЫМ КЛИНОМ И НЕВЫДВИЖНЫМ ШТОКОМ ФЛАНЦЕВАЯ ТИП RSV004N
Описание Чугунная задвижка с обрезиненным клином и невыдвижным штоком фланцевая
Диаметр 50-600 мм
Давление 16 бар
Температура от -10°С до +95°С (до +120°С кратковременно)
ЗАДВИЖКА ЧУГУННАЯ С ОБРЕЗИНЕНЫМ КЛИНОМ И НЕВЫДВИЖНЫМ ШТОКОМ ФЛАНЦЕВАЯ ТИП 111-UG
Описание Чугунная задвижка с обрезиненным клином и невыдвижным штоком фланцевая
Диаметр 40 - 500 мм
Давление 16 бар
Температура до 120°С
ЗАДВИЖКА С ОБРЕЗИНЕНЫМ КЛИНОМ И НЕВЫДВИЖНЫМ ШТОКОМ ФЛАНЦЕВАЯ ТИП RSV003N
Описание Чугунная задвижка с обрезиненным клином и невыдвижным штоком фланцевая
Диаметр 200-600 мм
Давление 10 бар
Температура от -10°С до +95°С (до +120°С кратковременно)
ЗАДВИЖКА ШИБЕРНАЯ ТИП 300
Описание Задвижка шиберная
Диаметр 50 - 600 мм
Давление 4; 6; 10 бар
Температура -50 - 200°С